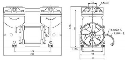
400D-1 (1) – Vacuum Pump Vacuum System Solution Suppiler

Attachment: 400D-1 (1)